BH BSPP 60° Cone Male x Swivel Female 90° Swept Elbow

Loading...
Useful Information

Technical Specification

  • Sizes Available: 1/4" - 2"
  • Material: Mild Steel
  • Configuration: 90° swept elbow
  • Seal Type: 60° cone for metal-to-metal sealing on both ends
  • Thread Type: BSPP (British Standard Pipe Parallel) male x BSPP swivel female
  • Standard Compliance: Manufactured to BS EN 10277
  • Temperature Range: -40°C to +120°C without pressure reduction
  • Pressure Ratings:
  • Proof Pressure: 2× working pressure
  • Burst Pressure: 4× working pressure
  • Torque Guidance: Suitable for lightly oiled steel threads
  • Quality Assurance: ISO 9001-certified manufacturing

Description

This 90° swept elbow adaptor features a BSPP male thread with a 60° cone on one end and a BSPP swivel female thread with a 60° cone on the other. The swept design improves flow efficiency by reducing turbulence and pressure drop compared to sharp elbows, while the swivel female end simplifies installation by allowing easy hose alignment. Manufactured from high-grade mild steel to BS EN 10277, it provides strength, precision, and dependable sealing in hydraulic and pneumatic applications.

Key Features & Benefits

  • Swept 90° Design: Minimises flow restriction for improved system efficiency
  • Dual 60° Cone Seal: Secure, leak-free metal-to-metal connections on both ends
  • Swivel Female End: Eases installation and reduces hose twisting
  • Durable Construction: Mild steel for long-lasting performance under pressure
  • Precision Machining: Threads and cones meet BS EN 10277 specifications
  • Versatile Application: Suitable for hydraulic, pneumatic, and industrial systems
  • ISO Certified: Manufactured under ISO 9001 quality standards

Downloads

Burnett & Hillman Pressure Guide
 
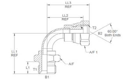
SKU Product Code T1 & T2 (") B1 (") B2 (") L1 (" LL1 (") LL2 (") LL3 (") A/F  A/F1 (mm)
379901 EBMF04 1/4 0.25 0.172 0.45 1.342 1.18 1.395 19
379902 EBMF06 3/8 0.375 0.271 0.52 1.604 1.474 1.727 22
379903 EBMF08 1/2 0.5 0.375 0.6 2.005 1.703 1.995 27
379904 EBMF10 5/8 0.562 0.464 0.7 2.232 1.862 2.267 30
379905 EBMF12 3/4 0.659 0.6 0.75 2.52 2.05 2.44 32
379906 EBMF16 1 0.843 0.797 0.8 2.885 2.548 3.01 41
379907 EBMF20 1 1/4 1.125 1.014 0.8 3.225 3.005 3.44 50
379908 EBMF24 1 1/2 1.312 1.201 0.85 3.848 3.548 4.05 55
379909 EBMF32 2 1.75 1.703 1 5.19 4.777 5.444 70

 

IMPORTANT: The technical data given on this website is for preliminary information purposes only and is published without guarantee. All line drawings are for illustrative purposes only and should not be regarded as wholly accurate in every detail. We reserve the right to withdraw or to alter the specification of any product without notice. For more information, please consult our Terms of Business.

If you require any further information, our excellent customer service team is here to help so please call us on 01794 835835.

 

Grouped product items
Code Product Name List Price You Save You Pay Quantity
379901 BH 90 Swept Elbow BSPP Male x Female 1/4" x 1/4" £8.73 50%
You Pay:  £4.37
379902 BH 90 Swept Elbow BSPP Male x Female 3/8" x 3/8" £10.53 50%
You Pay:  £5.27
379903 BH 90 Swept Elbow BSPP Male x Female 1/2" x 1/2" £12.87 50%
You Pay:  £6.43
379904 BH 90 Swept Elbow BSPP Male x Female 5/8" x 5/8" £17.53 50%
You Pay:  £8.77
379905 BH 90 Swept Elbow BSPP Male x Female 3/4" x 3/4" £19.97 50%
You Pay:  £9.98
379906 BH 90 Swept Elbow BSPP Male x Female 1" x 1" £32.57 50%
You Pay:  £16.28
379907 BH 90 Swept Elbow BSPP Male x Female 1 1/4" x 1 1/4" £50.87 50%
You Pay:  £25.43
379908 BH 90 Swept Elbow BSPP Male x Female 1 1/2" x 1 1/2" £122.50 50%
You Pay:  £61.25
379909 BH 90 Swept Elbow BSPP Male x Female 2" x 2" £177.57 50%
You Pay:  £88.78