BH NPT Male x BSPP 60° Cone Swivel Female Compact 90° Elbow

Loading...
Useful Information

Technical Specification

  • Sizes Available: 1/8" - 1 1/2"
  • Material: Steel
  • Configuration: Compact 90° elbow
  • Seal Type: BSPP 60° cone metal-to-metal seal
  • Thread Types: Male NPT x Swivel female BSPP
  • Standard Compliance: Manufactured to BS EN 10277
  • Temperature Range: -40°C to +120°C without pressure reduction
  • Pressure Ratings:
  • Proof Pressure: 2× working pressure
  • Burst Pressure: 4× working pressure
  • Torque Guidance: For lightly oiled steel threads
  • Quality Assurance: ISO 9001-certified manufacturing

Description

This compact 90° elbow connects a male NPT thread to a swivel female BSPP 60° cone, enabling secure transitions between American and British thread standards. The BSPP 60° cone provides a precise metal-to-metal seal, while the swivel design simplifies installation by reducing hose twist and allowing for easier alignment. The NPT taper thread ensures a strong, pressure-tight connection. Precision-machined from high-quality steel to BS EN 10277, this fitting offers reliability and durability for demanding hydraulic systems in confined spaces.

Key Features & Benefits

  • Compact 90° Elbow: Ideal for use in restricted installations
  • Swivel Female BSPP 60° Cone: Allows for easier hose routing and alignment
  • NPT Taper Thread: Secure, self-sealing connection for high-pressure systems
  • Strong Steel Construction: Engineered for long service life under pressure
  • Precision-Machined: Complies with BS EN 10277 for exact fit
  • ISO Certified Quality: Produced to ISO 9001 standards

Downloads

Burnett & Hillman Pressure Guide

 

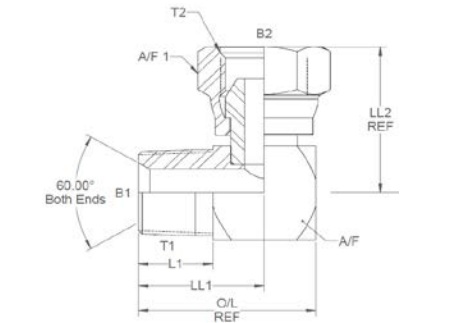
SKU Product Code Male Thread T1 (") Female Thread T2 (") B1 (") B2 (") L1 (") O/L (") LL1 (") LL2 (") A/F (") A/F1 (mm)
380044 09397 1/8 1/8  0.188 0.125 0.38 0.88 0.63 0.8 0.5 14
380045 09400 1/4 1/4 0.25 0.172 0.625 1.312 0.962 0.96 0.625 19
380046 09401 3/8 3/8 0.375 0.271 0.69 1.465 1.077 1.163 0.75 22
380047 09402 1/2 1/2 0.472 0.375 0.84 1.84 1.34 1.277 0.875 27
380048 09403 3/4 3/4 0.687 0.6 0.95 2.1 1.525 1.48 1.125 32
380049 09404 1 1 0.843 0.797 1.25 2.75 2 1.7 1.375 41
380050 09398 1 1/4 1 1/4 1.203 1.014 1.5 3.3 2.4 1.96 1.75 50
380051 09399 1 1/2 1 1/2 1.312 1.201 1.6 3.65 2.625 2.35 2 55

 

IMPORTANT: The technical data given on this website is for preliminary information purposes only and is published without guarantee. All line drawings are for illustrative purposes only and should not be regarded as wholly accurate in every detail. We reserve the right to withdraw or to alter the specification of any product without notice. For more information, please consult our Terms of Business.

If you require any further information, our excellent customer service team is here to help so please call us on 01794 835835.

 

Grouped product items
Code Product Name List Price You Save You Pay Quantity
380044 BH 90 Elbow NPT Male x BSPP Swivel Female 1/8" x 1/8" £9.93 50%
You Pay:  £4.97
380045 BH 90 Elbow NPT Male x BSPP Swivel Female 1/4" x 1/4" £10.37 50%
You Pay:  £5.18
380046 BH 90 Elbow NPT Male x BSPP Swivel Female 3/8" x 3/8" £11.20 50%
You Pay:  £5.60
380047 BH 90 Elbow NPT Male x BSPP Swivel Female 1/2" x 1/2" £13.90 50%
You Pay:  £6.95
380048 BH 90 Elbow NPT Male x BSPP Swivel Female 3/4" x 3/4" £20.20 50%
You Pay:  £10.10
380049 BH 90 Elbow NPT Male x BSPP Swivel Female 1" x 1" £27.07 50%
You Pay:  £13.53
380050 BH 90 Elbow NPT Male x BSPP Swivel Female 1 1/4" x 1 1/4" £63.57 50%
You Pay:  £31.78
380051 BH 90 Elbow NPT Male x BSPP Swivel Female 1 1/2" x 1 1/2" £104.80 50%
You Pay:  £52.40