BH NPT Fixed Female Compact 90° Elbow

Loading...
Useful Information

Technical Specification

  • Sizes Available: 1/8" - 2"
  • Material: Steel
  • Configuration: Compact 90° elbow – fixed female x fixed female
  • Thread Type: NPT (National Pipe Taper) fixed female x NPT fixed female
  • Standard Compliance: Manufactured to BS EN 10277
  • Temperature Range: -40°C to +120°C without pressure reduction
  • Pressure Ratings:
  • Proof Pressure: 2× working pressure
  • Burst Pressure: 4× working pressure
  • Torque Guidance: For lightly oiled steel threads
  • Quality Assurance: ISO 9001-certified manufacturing

Description

This compact 90° elbow features NPT fixed female threads on both ends, providing a secure tapered-thread connection suitable for high-pressure hydraulic and pneumatic systems. Its compact design is perfect for tight installations where space is limited. Precision-engineered from high-quality steel and manufactured to BS EN 10277 standards, this fitting offers excellent durability, leak resistance, and reliable performance in demanding environments.

Key Features & Benefits

  • Compact 90° Elbow: Space-saving design for confined installations
  • Fixed Female NPT Ends: Strong tapered-thread sealing
  • Durable Steel Construction: Suitable for high-pressure use
  • Precision Machined: Complies with BS EN 10277 for perfect fit
  • Leak-Resistant Design: Ensures reliable sealing performance
  • ISO Certified Quality: Produced under ISO 9001 standards

Downloads

Burnett & Hillman Pressure Guide
 
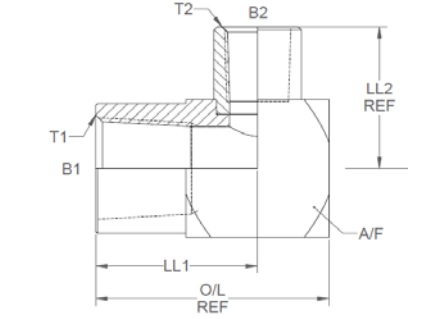
SKU Product Code T1 (") T2 (") B1 (") B2 (") O/L (") LL1 (") LL2 (") A/F (")
380070 XFN0202 1/8 1/8  8.38 8.38 26.16 18.03 18.72 0.625
380071 XFN0404 1/4 1/4 10.69 10.69 34.42 24.59 24.64 0.75
380072 XFN0606 3/8 3/8 14.25 14.25 41.28 28.58 28.58 1
380073 XFN0608 3/8 1/2 17.5 14.25 46.61 32.31 30.15 1.125
380074 XFN1212 3/4 3/4 22.73 22.73 53.34 35.56 38.91 1.375
380075 XFN1616 1 1 28.5 28.5 66.68 44.45 44.07 1.75
380076 XFN2020 1 1/4 1 1/4 37.49 37.49 78.41 51.74 50.8 2
380077 XFN2424 1 1/2 1 1/2 43.51 43.51 90.17 57.79 57.15 2.5
380078 XFN3232 2 2 54.99 54.99 107.06 68.96 67.31 3

 

IMPORTANT: The technical data given on this website is for preliminary information purposes only and is published without guarantee. All line drawings are for illustrative purposes only and should not be regarded as wholly accurate in every detail. We reserve the right to withdraw or to alter the specification of any product without notice. For more information, please consult our Terms of Business.

If you require any further information, our excellent customer service team is here to help so please call us on 01794 835835.

 

Grouped product items
Code Product Name List Price You Save You Pay Quantity
380070 BH Fixed Female Compact 90 Elbow NPT 1/8" x 1/8" £16.60 50%
You Pay:  £8.30
380071 BH Fixed Female Compact 90 Elbow NPT 1/4" x 1/4" £16.60 50%
You Pay:  £8.30
380072 BH Fixed Female Compact 90 Elbow NPT 3/8" x 3/8" £20.20 50%
You Pay:  £10.10
380073 BH Fixed Female Compact 90 Elbow NPT 3/8" x 1/2" £22.30 50%
You Pay:  £11.15
380074 BH Fixed Female Compact 90 Elbow NPT 3/4" x 3/4" £30.80 50%
You Pay:  £15.40
380075 BH Fixed Female Compact 90 Elbow NPT 1" x 1" £49.70 50%
You Pay:  £24.85
380076 BH Fixed Female Compact 90 Elbow NPT 1 1/4" x 1 1/4" £79.33 50%
You Pay:  £39.67
380077 BH Fixed Female Compact 90 Elbow NPT 1 1/2" x 1 1/2" £94.17 50%
You Pay:  £47.08
380078 BH Fixed Female Compact 90 Elbow NPT 2" x 2" £193.70 50%
You Pay:  £96.85