BH JIC 37° Compact Forged Male 90° Elbow

Loading...
Useful Information

Technical Specification

  • Sizes Available: 7/16" - 1 3/16"
  • Material: Steel
  • Thread Type: JIC male x JIC male
  • Seal Type: 37° cone metal-to-metal seal
  • Configuration: Compact forged 90° elbow
  • Standard Compliance: Manufactured to BS EN 10277
  • Temperature Range: -40°C to +120°C without pressure reduction
  • Pressure Ratings:
  • Proof Pressure: 2× working pressure
  • Burst Pressure: 4× working pressure
  • Torque Guidance: For lightly oiled steel threads
  • Quality Assurance: ISO 9001-certified manufacturing

Description

This compact forged 90° elbow features JIC male threads on both ends with a 37° cone for secure, leak-resistant metal-to-metal sealing. Its forged construction offers increased strength and durability, making it ideal for high-pressure hydraulic systems. The compact design ensures it fits neatly into tight installations while maintaining full flow capacity. Manufactured from high-quality steel to BS EN 10277 standards, this fitting delivers long-lasting, dependable performance in demanding environments.

Key Features & Benefits

  • Compact Forged 90° Elbow: Strength and durability in a small form factor
  • JIC 37° Cone: Reliable metal-to-metal sealing performance
  • Male x Male Ends: Simple, robust connection style
  • Forged Steel Construction: Extra strength for demanding applications
  • Precision Machined: Manufactured to BS EN 10277 for exact fit
  • ISO Certified Quality: Produced under ISO 9001 standards

Downloads

Burnett & Hillman Pressure Guide

 

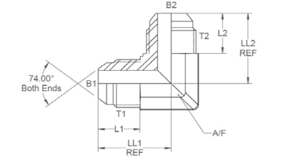
SKU Product Code T1 & T2 (") B1 & B2 (") L1 & L2 (") LL1 & LL2 (") A/F (")
380932 03085FD 7/16  0.172 0.535 0.89 0.438
380933 03086FD 1/2 0.234 0.535 0.95 0.562
380934 03087FD 9/16 0.297 0.541 1.06 0.562
380935 03088FD 3/4 0.391 0.642 1.25 0.75
380936 03089FD 7/8 0.484 0.743 1.45 0.875
380937 03090FD 1 1/16 0.609 0.849 1.66 1.062
380938 03091FD 1 3/16 0.719 0.875 1.8 1.312

 

IMPORTANT: The technical data given on this website is for preliminary information purposes only and is published without guarantee. All line drawings are for illustrative purposes only and should not be regarded as wholly accurate in every detail. We reserve the right to withdraw or to alter the specification of any product without notice. For more information, please consult our Terms of Business.

If you require any further information, our excellent customer service team is here to help so please call us on 01794 835835.

 

Grouped product items
Code Product Name List Price You Save You Pay Quantity
380932 BH Male Forged Compact 90 Elbow JIC 7/16" x 7/16" £8.50 50%
You Pay:  £4.25
380933 BH Male Forged Compact 90 Elbow JIC 1/2" x 1/2" £7.97 50%
You Pay:  £3.98
380934 BH Male Forged Compact 90 Elbow JIC 9/16" x 9/16" £8.77 50%
You Pay:  £4.38
380935 BH Male Forged Compact 90 Elbow JIC 3/4" x 3/4" £12.23 50%
You Pay:  £6.12
380936 BH Male Forged Compact 90 Elbow JIC 7/8" x 7/8" £12.93 50%
You Pay:  £6.47
380937 BH Male Forged Compact 90 Elbow JIC 1 1/16" x 1 1/16" £15.20 50%
You Pay:  £7.60
380938 BH Male Forged Compact 90 Elbow JIC 1 3/16" x 1 3/16" £30.00 50%
You Pay:  £15.00