BH BSPP 60° Cone Swivel Female Compact Forged 90° Elbow

Loading...
Useful Information

Technical Specification

  • Sizes Available: 1/4" - 1"
  • Material: Steel
  • Seal Type: 60° cone metal-to-metal seal
  • Configuration: Compact forged 90° elbow
  • Thread Type: BSPP (British Standard Pipe Parallel) swivel female
  • Standard Compliance: Manufactured to BS EN 10277
  • Temperature Range: -40°C to +120°C without pressure reduction
  • Pressure Ratings:
  • Proof Pressure: 2× working pressure
  • Burst Pressure: 4× working pressure
  • Torque Guidance: For lightly oiled steel threads
  • Quality Assurance: ISO 9001-certified manufacturing

Description

This compact forged 90° elbow features BSPP swivel female threads with a 60° cone for strong, leak-free metal-to-metal sealing. The swivel design simplifies hose or pipe alignment during installation, while the forged construction enhances durability and strength under high-pressure hydraulic conditions. Its compact form is ideal for installations where space is restricted. Manufactured from precision-engineered steel to BS EN 10277 standards, it offers long-term reliability in demanding applications.

Key Features & Benefits

  • Compact Forged 90° Elbow: Combines strength with space-saving design
  • Swivel Female Design: Prevents hose twisting for easier installation
  • 60° Cone Seal: Reliable metal-to-metal sealing for leak prevention
  • Forged Steel Construction: Extra strength for high-pressure use
  • Precision Manufactured: Meets BS EN 10277 for exact fit and performance
  • Versatile Application: Suitable for hydraulic, pneumatic, and industrial systems
  • ISO Certified Quality: Produced under ISO 9001 standards

Downloads

Burnett & Hillman Pressure Guide

 

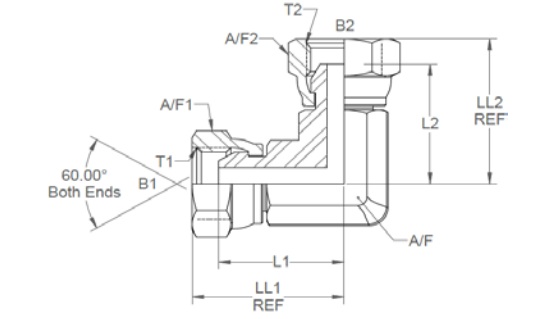
SKU Product Code T1 (") T2 (") B1 & B2 (") L1 & L2 (") LL1 & LL2 (") A/F (mm) A/F1 & A/F2 (mm)
380018  05026FD  1/4 1/4 0.177 0.91 1.08 14 19
380019 05027FD 3/8 3/8 0.279 1.08 1.28 19 22
380020 05028FD 1/2 1/2 0.381 1.16 1.32 24 27
380021 05030FD 3/4 3/4 0.61 1.22 1.57 27 32
380022 05031FD 1 1 0.803 1.732 2.11 32 41

 

IMPORTANT: The technical data given on this website is for preliminary information purposes only and is published without guarantee. All line drawings are for illustrative purposes only and should not be regarded as wholly accurate in every detail. We reserve the right to withdraw or to alter the specification of any product without notice. For more information, please consult our Terms of Business.

If you require any further information, our excellent customer service team is here to help so please call us on 01794 835835.

 

Grouped product items
Code Product Name List Price You Save You Pay Quantity
380018 BH Swivel Female Forged Compact 90 Elbow BSPP 1/4" x 1/4" £11.10 50%
You Pay:  £5.55
380019 BH Swivel Female Forged Compact 90 Elbow BSPP 3/8" x 3/8" £11.47 50%
You Pay:  £5.73
380020 BH Swivel Female Forged Compact 90 Elbow BSPP 1/2" x 1/2" £15.17 50%
You Pay:  £7.58
380021 BH Swivel Female Forged Compact 90 Elbow BSPP 3/4" x 3/4" £22.20 50%
You Pay:  £11.10
380022 BH Swivel Female Forged Compact 90 Elbow BSPP 1" x 1" £27.53 50%
You Pay:  £13.77