SS2 Female Thread Claw Coupling

Loading...
Useful Information

Technical Specification

  • Material: Forged steel, hardened, zinc plated and yellow passivated (free of chrome VI)
  • Fitting Type: Threaded Coupling
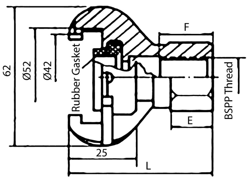
  • Thread Type: Female BSP
  • Maximum Working Pressure: 12 bar
  • Compatibility: Only suitable for use with other SS Claw Couplings
  • Seal Type: Supplied with an oil-resistant NBR seal
  • Medium: Compressed Air

Description

Engineered for high-demand compressed air applications, this female threaded claw coupling is precision-machined from hardened forged steel, offering superior strength and durability. The zinc and yellow passivated finish provides robust corrosion resistance while remaining free from hazardous Chrome VI compounds. With a BSP parallel female thread and a factory-fitted oil-resistant NBR seal, it ensures a reliable and leak-free connection when paired with compatible SS claw couplings.

Please note, this fitting may be supplied in a silver colour.

Key Features & Benefits

  • Corrosion-resistant zinc and yellow passivated coating (Chrome VI free)
  • Hardened forged steel construction for long service life
  • BSPP female thread ensures secure fit with matching male connections
  • Supplied with a durable oil-resistant NBR seal
  • Withstands working pressures up to 12 bar
  • Designed specifically for compressed air in construction and industrial use
  • Only compatible with SS claw couplings for system integrity
SKU Size (inch) L (mm) E (mm) F (mm) H (mm)
371534 1/2 40 12 13 29
371535 3/4 42 13 14 34
371536 1 42 14 16 40

 

IMPORTANT: The technical data given on this website is for preliminary information purposes only and is published without guarantee. All line drawings are for illustrative purposes only and should not be regarded as wholly accurate in every detail. We reserve the right to withdraw or to alter the specification of any product without notice. For more information, please consult our Terms of Business.

If you require any further information, our excellent customer service team is here to help so please call us on 01794 835835.

 

Grouped product items
Code Product Name List Price You Save You Pay Quantity
371534 Quick Release Coupling SS2 Female 1/2" £8.16 50%
You Pay:  £4.08
371535 Quick Release Coupling SS2 Female 3/4" £9.76 50%
You Pay:  £4.88
371536 Quick Release Coupling SS2 Female 1" £8.80 50%
You Pay:  £4.40