Elbow 90° M Threaded BSPT
Useful Information
Technical Specification
- Material: Brass
- Thread Type: BSPT (British Standard Pipe Taper) Male
- Hose Tail: Barbed connection for flexible hose
- Angle: 90° elbow
- Size Range: ¼" × ¼" (6 mm) to ½" × ½" (13 mm)
- Compatible Media: Compressed air, water, oil, and compatible fluids
- Pressure & temperature: Dependent on hose used (please see the PVC Braided Hose section for more information)
Description
Designed to facilitate a right-angle connection between flexible hose and female-threaded components, this brass elbow is ideal for compressed air, fluid, and water systems. The male BSPT thread ensures a pressure-tight seal, while the barbed hose tail provides a secure fit for reinforced or braided hoses. Manufactured to recognised standards, it is suitable for a wide range of light industrial and commercial applications where durability and leak resistance are essential.
Key Features & Benefits
- Precision 90° elbow design is perfect for space-limited routing
- BSPT male thread allows for a reliable seal in tapered thread systems
- Corrosion-resistant brass ensures longevity in varied environments
- Barbed hose tail ensures a strong grip on hose, reduces risk of slippage or leakage
- Wide size range from 6 mm to 13 mm hose ID to suit most setups
- Multi-purpose use, compatible with air, water, oil, and general fluid transfer
- Meets ISO and British Standards assuring quality and performance

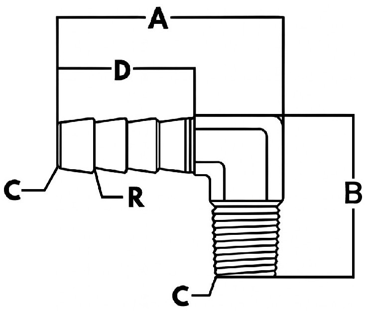
| Product Code | Thread (inch) | Hose ID (inch) | Hose ID (mm) | A (mm) | B (mm) | C (mm) | D (mm) | R (mm) |
| 375551 | 1/8 | 1/4 | 6 | - | - | - | - | - |
| 375554 | 1/4 | 1/4 | 6 | 35 | 31.5 | 0.5 | 19 | 0.2 |
| 375558 | 3/8 | 1/4 | 6 | - | - | - | - | - |
| 375552 | 1/8 | 5/16 | 8 | 32.5 | 26.5 | 0.5 | 20 | 0.2 |
| 375555 | 1/4 | 5/16 | 8 | 36 | 31.5 | 0.5 | 20 | 0.2 |
| 375559 | 3/8 | 5/16 | 8 | 37.2 | 32.2 | 0.5 | 20 | 0.2 |
| 375562 | 1/2 | 5/16 | 8 | 41 | 37 | 1 | 20.5 | 0.5 |
| 375553 | 1/8 | 3/8 | 10 | 36 | 31 | 0.5 | 20 | 0.2 |
| 375556 | 1/4 | 3/8 | 10 | 36 | 31.5 | 0.5 | 20 | 0.2 |
| 375560 | 3/8 | 3/8 | 10 | 37.4 | 32.1 | 0.5 | 20 | 0.2 |
| 375563 | 1/2 | 3/8 | 10 | 41.2 | 37.5 | 1 | 20 | 0.5 |
| 375557 | 1/4 | 1/2 | 13 | 37.3 | 32 | 0.5 | 21 | 0.2 |
| 375561 | 3/8 | 1/2 | 13 | - | - | - | - | - |
| 375564 | 1/2 | 1/2 | 13 | 41.5 | 37 | 1 | 20 | 0.5 |
