Geberit HDPE Segment Bend

Loading...
Useful Information

Technical Specification

  • Material: High-Density Polyethylene (PE-HD)
  • Bend Angles Available: 15°, 30°, 45°, 90°
  • Available Sizes: 200mm - 315mm
  • Connection Type: Electrofusion weldable on both ends
  • Colour: Black
  • Application Areas: Commercial and industrial drainage, site infrastructure
  • Certifications: BBA certified (Certificate 92/2796)

Description

This segment bend is designed to offer high flexibility in drainage layouts by allowing precision angle adjustments. Made from robust PE-HD, it delivers durability, UV resistance, and reliable performance in building and site drainage systems. The segmented construction enables customised angular transitions for complex installations, particularly in larger diameter pipework.

Key Features & Benefits

  • Fabricated from tough, UV-resistant PE-HD
  • Allows precise changes in direction for large bore systems
  • Weldable on both ends using Geberit electrofusion couplings
  • Large radius design supports smooth flow with minimal resistance
  • Ideal for bespoke or space-restricted installations
  • Suitable for both above-ground and underground drainage systems
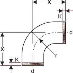
SKU Geberit Code DN d (mm) Arc ° X (cm) K (cm) R (cm)
489207 370.015.16.1 200 200 15 15.5 4  
489208 371.015.16.1 250 250 15 10.3 0  
489209 371.030.16.1 250 250 30 16 0 42
489210 372.030.16.1 300 315 30 17 0 47.3
489211 372.045.16.1 300 315 45 18 0 32.5
489212 370.055.16.1 200 200 90 30 2.5 20
489213 371.055.16.1 250 250 90 33.5 0 29
489214 372.055.16.1 300 315 90 37 0 32.5

IMPORTANT: The technical data given on this website is for preliminary information purposes only and is published without guarantee. All line drawings are for illustrative purposes only and should not be regarded as wholly accurate in every detail. We reserve the right to withdraw or to alter the specification of any product without notice. For more information, please consult our Terms of Business.

If you require any further information, our excellent customer service team is here to help so please call us on 01794 835835.

 

Grouped product items
Code Product Name List Price You Save You Pay Quantity
489207 GB HDPE Segment Bend 15 200mm £88.20 47%
You Pay:  £46.75
489208 GB HDPE Segment Bend 15 250mm £121.20 47%
You Pay:  £64.24
489209 GB HDPE Segment Bend 30 250mm £118.69 47%
You Pay:  £62.91
489210 GB HDPE Segment Bend 30 315mm £164.72 47%
You Pay:  £87.30
489211 GB HDPE Segment Bend 45 315mm £209.63 47%
You Pay:  £111.10
489212 GB HDPE Segment Bend 90 200mm £161.74 47%
You Pay:  £85.72
489213 GB HDPE Segment Bend 90 250mm £267.08 47%
You Pay:  £141.55
489214 GB HDPE Segment Bend 90 315mm £389.29 47%
You Pay:  £206.32