Geberit HDPE Double Branchball

Loading...
Useful Information

Technical Specification

  • Available diameters: 75 mm to 160 mm
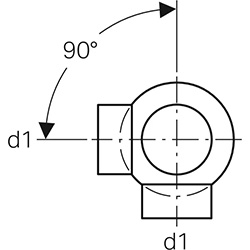
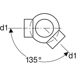
  • Branch angle: 88.5°
  • Offset options: 90°, 135°, and 180° configurations
  • Colour: Black
  • Certification: BBA certified
  • Operating temperature: up to 80°C (intermittent 100°C)
  • Material: PE-HD

Description

Engineered for complex drainage layouts, this fitting features dual lateral connections offset at precise angles for efficient flow diversion. Manufactured from robust PE-HD, it offers excellent resistance to impact and UV exposure. The design ensures leak-proof joins and compatibility with various Geberit HDPE pipe sizes, making it ideal for multi-inlet applications in commercial and industrial settings.

Key Features & Benefits

  • Dual offset branches at 88.5° for space-efficient installations
  • Fabricated from high-density polyethylene (PE-HD)
  • Resistant to UV, corrosion, and physical damage
  • Designed for butt-welding or electrofusion connections
  • Certified for use in above- and below-ground drainage systems
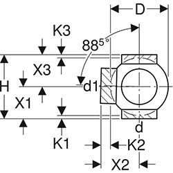
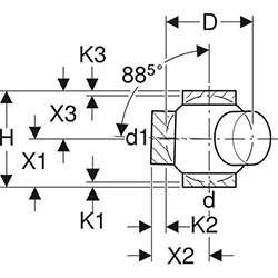
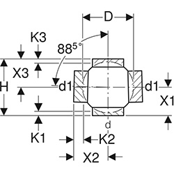
SKU Geberit Code DN d (mm) d1 (mm) Arc° Arc 2 ° D (cm) H (cm) X1 (cm) X2 (cm) X3 (cm) K1 Max (cm) K1 Max (cm) K1 Max (cm)
489261 365.325.16.1 70 75 75 88.5 90 12 16 8 10 8 1.5 3.5 1.5
489262 367.315.16.1 100/56 110 56 88.5 90 17 20 10 12 10 1.5 1.5 1.5
489263 367.325.16.1 100/70 110 75 88.5 90 17 20 10 12 10 1.5 1.5 1.5
489264 369.335.16.1 150/100 160 110 88.5 90 23 25 12.5 16 12.5 2 1.5 2
489265 367.275.16.1 100/70  110 75 88.5 180 17 20 10 12 10 1.5 1.5 1.5
489266 367.285.16.1 100 110 110 88.5 180 17 20 10 12 10 1.5 4 1.5
489267 368.285.16.1 125/100 125 110 88.5 180 18 20 10 12.5 10 1.5 4 1.5
489268 369.285.16.1 150/100 160 110 88.5 180 23 25 12.5 16 12.5 2 1.5 2
489269 365.375.16.1 70  75 75 88.5 135 12 16 8 10 8 1.5 3.5 1.5
489270 367.380.16.1 100/90 110 90 88.5 135 17 20 10 12 10 1.5 1.5 1.5
489271 367.385.16.1 100 110 110 88.5 135 17 20 10 12 10 1.5 4 1.5

IMPORTANT: The technical data given on this website is for preliminary information purposes only and is published without guarantee. All line drawings are for illustrative purposes only and should not be regarded as wholly accurate in every detail. We reserve the right to withdraw or to alter the specification of any product without notice. For more information, please consult our Terms of Business.

If you require any further information, our excellent customer service team is here to help so please call us on 01794 835835.

 

Grouped product items
Code Product Name List Price You Save You Pay Quantity
489261 GB HDPE Double Branchball 88.5, 90 Offset 75mm £39.27 47%
You Pay:  £20.81
489262 GB HDPE Double Branchball 88.5, 90 Offset 110mm x 56mm £48.56 47%
You Pay:  £25.74
489263 GB HDPE Double Branchball 88.5, 90 Offset 110mm x 75mm £48.56 47%
You Pay:  £25.74
489264 GB HDPE Double Branchball 88.5, 90 Offset 160mm x 110mm £87.42 47%
You Pay:  £46.33
489265 GB HDPE Double Branchball 88.5, 180 offset 110mm x 75mm £48.56 47%
You Pay:  £25.74
489266 GB HDPE Double Branchball 88.5, 180 offset 110mm £48.56 47%
You Pay:  £25.74
489267 GB HDPE Double Branchball 88.5, 180 offset 125mm x 110mm £49.06 47%
You Pay:  £26.00
489268 GB HDPE Double Branchball 88.5, 180 offset 160mm x 110mm £87.42 47%
You Pay:  £46.33
489269 GB HDPE Double Branchball 88.5, 135 offset 75mm £42.10 47%
You Pay:  £22.31
489270 GB HDPE Double Branchball 88.5, 135 offset 110mm x 90mm £51.44 47%
You Pay:  £27.26
489271 GB HDPE Double Branchball 88.5, 135 offset 110mm £51.44 47%
You Pay:  £27.26