GB HDPE Ring Seal Socket With Lip Seal

Loading...
Useful Information

Technical Specification

  • Material: PE-HD (High-Density Polyethylene)
  • Seal Type: EPDM lip seal (pre-installed)
  • Connection Type: Push-fit socket
  • Sizes Available: Typically 40mm to 110mm diameters
  • Colour: Black
  • Applications: Soil and waste drainage, both internal and external
  • Compliance: BBA Certified

Description

This push-fit socket fitting offers a fast and secure method for joining HDPE pipes without the need for welding. It features an integrated lip seal, ensuring a watertight and reliable joint ideal for both above-ground and underground drainage applications. Designed for adaptability, it allows quick disassembly when system reconfiguration or maintenance is required.

Key Features & Benefits

  • Integrated EPDM lip seal for a watertight connection
  • Quick and tool-free push-fit installation
  • Ideal for prefabrication or site modifications
  • Manufactured from durable, UV-resistant PE-HD
  • Easily removable for maintenance and inspection
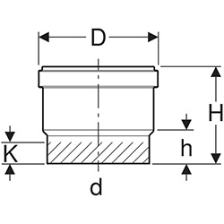
SKU Geberit Code  DN d (mm)  D (cm)  H (cm)  h (cm)  K (cm)
489347 360.779.16.3 40 40 5.5 8  3.5 40
489348 361.779.16.3 50 50 6.5 8 3.5 50
489349 363.779.16.3 56 56 7 8.3 3.5 56
489350 364.779.16.3 60 63 7.5 8.9 3.5 63
489351 365.779.16.3 70 75 9 9.7 3.5 75
489352 366.779.16.3 90 90 10.6 10.3 3.6 90
489353 367.779.16.3 100 110 12.9 10.5 3.7 110

IMPORTANT: The technical data given on this website is for preliminary information purposes only and is published without guarantee. All line drawings are for illustrative purposes only and should not be regarded as wholly accurate in every detail. We reserve the right to withdraw or to alter the specification of any product without notice. For more information, please consult our Terms of Business.

If you require any further information, our excellent customer service team is here to help so please call us on 01794 835835.

 

Grouped product items
Code Product Name List Price You Save You Pay Quantity
489347 GB HDPE Ring Seal Socket With Lip Seal 40mm £5.56 47%
You Pay:  £2.95
489348 GB HDPE Ring Seal Socket With Lip Seal 50mm £5.67 47%
You Pay:  £3.01
489349 GB HDPE Ring Seal Socket With Lip Seal 56mm £6.86 47%
You Pay:  £3.64
489350 GB HDPE Ring Seal Socket With Lip Seal 63mm £8.91 47%
You Pay:  £4.72
489351 GB HDPE Ring Seal Socket With Lip Seal 75mm £8.98 47%
You Pay:  £4.76
489352 GB HDPE Ring Seal Socket With Lip Seal 90mm £9.96 47%
You Pay:  £5.28
489353 GB HDPE Ring Seal Socket With Lip Seal 110mm £10.88 47%
You Pay:  £5.77