GB HDPE Reducing Adaptor To Stoneware

Loading...
Useful Information

Technical Specification

  • Material: PE-HD (High-Density Polyethylene)
  • Connection Type: HDPE to stoneware via mechanical or gasket-sealed interface
  • Available Sizes: 110mm x 132mm
  • Applications: Commercial drainage systems, legacy system upgrades
  • Installation: May require Geberit sealing sleeve or adaptor insert for optimal sealing
  • Certifications: BBA Certified

Description

This reducing adaptor enables the direct connection of Geberit HDPE drainage pipework to traditional stoneware systems. Designed for retrofit and hybrid system applications, it ensures a secure, leak-resistant interface between dissimilar materials. Manufactured from high-quality PE-HD, the adaptor offers excellent resistance to chemical exposure, mechanical stress, and environmental conditions.

Key Features & Benefits

  • Adapts HDPE pipe diameters to standard stoneware pipe sizes
  • UV-stable and chemically resistant PE-HD material
  • Provides a secure, sealed connection via intermediate sleeves or gaskets
  • Suitable for above- and below-ground installation
  • Ideal for refurbishment projects and transitions from legacy systems
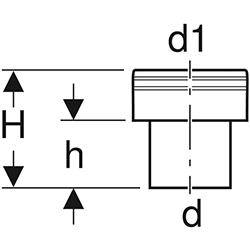
SKU Geberit Code Dn d (mm) d1 (mm) H (cm) h (cm)
489377 367.739.16.1 110/100 110 132 15.2 7

IMPORTANT: The technical data given on this website is for preliminary information purposes only and is published without guarantee. All line drawings are for illustrative purposes only and should not be regarded as wholly accurate in every detail. We reserve the right to withdraw or to alter the specification of any product without notice. For more information, please consult our Terms of Business.

If you require any further information, our excellent customer service team is here to help so please call us on 01794 835835.

 

Grouped product items
Code Product Name List Price You Save You Pay Quantity
489377 GB HDPE Reducing Adaptor To Stoneware 110mm x 132mm £128.66 47%
You Pay:  £68.19