GB HDPE Electrofusion Coupling

Loading...
Useful Information

Technical Specification

  • Material: PE-HD (High-Density Polyethylene)
  • Available Diameters: 40 mm to 315 mm
  • Colour: Black
  • Welding Method: Electrofusion welding
  • Application: Soil and waste drainage, prefabrication, site welding
  • Certification: BBA approved
  • Thermal Fuse: Integrated options available

Description

Engineered for reliable and watertight pipe connections, this electrofusion coupling enables secure joining of HDPE pipes in drainage and waste systems. Fitted with integrated heating coils, it creates a homogenous bond when connected to an electrofusion welding unit, making it ideal for both site and prefabricated installations. Its compact, robust design suits a wide range of diameters and ensures long-term performance in above- and below-ground applications.

Key Features & Benefits

  • Integrated electrofusion wire for fast, secure welding
  • Suitable for internal and external HDPE drainage systems
  • Compatible with Geberit electrofusion welding machines
  • Strong, durable, and pressure-tight joint
  • Easy alignment with visual insertion depth markers
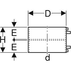
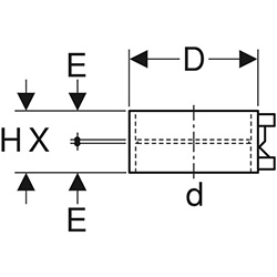
SKU Geberit Code DN d (mm) D (cm) E (cm) H (cm) X (cm)
489335 370.775.16.1 200 200 22.4 7.5 15  
489336 371.775.16.1 250 250 27.5 7.5 15  
489337 372.775.16.1 300 315 34.3 7.5 15  
489338 360.771.16.1 40 40 5.2 2.8 6 0.3
489339 361.771.16.1 50 50 6.2 2.8 6 0.3
489340 363.771.16.1 56 56 6.8 2.8 6 0.3
489341 364.771.16.1 63 63 7.6 2.8 6 0.3
489342 365.771.16.1 75 75 8.9 2.8 6 0.3
489343 366.771.16.1 90 90 10.4 2.8 6 0.3
489344 367.771.16.1 110 110 12.5 2.8 6 0.3
489345 368.771.16.1 125 125 14.2 2.8 6 0.3
489346 369.771.16.1 160 160 17.8 2.8 6 0.3

IMPORTANT: The technical data given on this website is for preliminary information purposes only and is published without guarantee. All line drawings are for illustrative purposes only and should not be regarded as wholly accurate in every detail. We reserve the right to withdraw or to alter the specification of any product without notice. For more information, please consult our Terms of Business.

If you require any further information, our excellent customer service team is here to help so please call us on 01794 835835.

 

Grouped product items
Code Product Name List Price You Save You Pay Quantity
489338 GB HDPE Electrofusion Coupling 40mm £5.43 47%
You Pay:  £2.88
489339 GB HDPE Electrofusion Coupling 50mm £5.43 47%
You Pay:  £2.88
489340 GB HDPE Electrofusion Coupling 56mm £5.97 47%
You Pay:  £3.16
489341 GB HDPE Electrofusion Coupling 63mm £6.67 47%
You Pay:  £3.54
489342 GB HDPE Electrofusion Coupling 75mm £7.02 47%
You Pay:  £3.72
489343 GB HDPE Electrofusion Coupling 90mm £8.50 47%
You Pay:  £4.51
489344 GB HDPE Electrofusion Coupling 110mm £9.46 47%
You Pay:  £5.01
489345 GB HDPE Electrofusion Coupling 125mm £15.85 47%
You Pay:  £8.40
489346 GB HDPE Electrofusion Coupling 160mm £21.82 47%
You Pay:  £11.56
489335 GB HDPE Electrofusion Coupling Integrated Thermal Fuse 200mm £126.12 47%
You Pay:  £66.84
489336 GB HDPE Electrofusion Coupling Integrated Thermal Fuse 250mm £252.24 47%
You Pay:  £133.69
489337 GB HDPE Electrofusion Coupling Integrated Thermal Fuse 315mm £329.41 47%
You Pay:  £174.59