PVCu Elbow 90° Threaded
Useful Information
Technical Specification
- Manufacturer: Effast
- Material: PVCu (Polyvinyl Chloride Unplasticised)
- Size Range: 3/8" to 4"
- Connection Type: BSP Female Thread
- Pressure Rating: 15 bar at 20°C
- Operating Temperature: 5°C to +60°C
Description
This threaded 90° elbow fitting is designed to connect two standard male BSP threaded fittings at a right angle, allowing directional changes in pipework systems. Manufactured from robust unplasticised PVC (PVCu), it provides excellent chemical resistance and reliable performance for both industrial and commercial applications.
Key Features & Benefits
- Connects two male BSP threaded fittings at a 90° angle
- Fully threaded for secure mechanical connections
- Manufactured from strong, chemical-resistant PVCu
- Pressure rated to 15 bar at 20°C

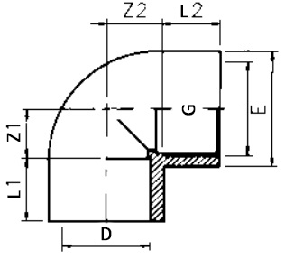
| SKU | Supplier Code | Nominal Size (Inch) | L1 - L2 (mm) | Z1 - Z2 (mm) | E (mm) |
| 359799 | RFFGOF0160 | 3/8 | 11 | 12 | 24 |
| 356810 | RFFGOF0200 | 1/2 | 15 | 12 | 28 |
| 356811 | RFFGOF0250 | 3/4 | 16 | 17 | 34 |
| 356812 | RFFGOF0320 | 1 | 19 | 20 | 42 |
| 356813 | RFFGOF0400 | 1 1/4 | 21 | 26 | 51 |
| 356814 | RFFGOF0500 | 1 1/2 | 21 | 36 | 62 |
| 356815 | RFFGOF0630 | 2 | 26 | 45 | 77 |
| 356816 | RFFGOF0750 | 2 1/2 | 30 | 53 | 89 |
| 356817 | RFFGOF0900 | 3 | 33 | 65 | 106 |
| 356818 | RFFGOF1100 | 4 | 39 | 79 | 129 |
