Durapipe Corzan Tee 90
Key Features / Tech Specs & Dimensions:
- Material: polyvinyl chloride resin and chlorine
- Plain Tee 90° fitting
- Pressure rated to 16 bar (up to 110mm), 160mm 10 bar rated
- Manufactured to DIN 8063
- Available in sizes from 16mm to 160mm

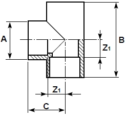
| Product Code | A (mm) | B (mm) | C (mm) | Z1 (mm) | Pressure Rating (bar) |
| 351088 | 22 | 37 | 23 | 9 | 16 |
| 351089 | 27 | 43 | 27 | 11 | 16 |
| 351090 | 33 | 52 | 33 | 14 | 16 |
| 351091 | 41 | 62 | 40 | 18 | 16 |
| 351092 | 50 | 74 | 48 | 22 | 16 |
| 351093 | 61 | 89 | 58 | 27 | 16 |
| 351094 | 76 | 110 | 72 | 34 | 16 |
| 351095 | 91 | 128.5 | 84.5 | 40.5 | 16 |
| 351096 | 109 | 150.5 | 99.5 | 48.5 | 16 |
| 351097 | 133 | 183 | 122 | 61 | 16 |
| 351098 | 192 | 261 | 175 | 89 | 10 |
IMPORTANT: The technical data given on this website is for preliminary information purposes only and is published without guarantee. All line drawings are for illustrative purposes only and should not be regarded as wholly accurate in every detail. We reserve the right to withdraw or to alter the specification of any product without notice. For more information, please consult our Terms of Business.
Useful Info:
These plain tee 90 corzan cpvc fittings are used to join together three pieces of Corzan CPVC pipe of the same dimensions at angle of 90°. PVCc solvent cement should be used along with PVCc Eco-Cleaner to glue the pipe together.
If you require any further information, our excellent customer service team is here to help so please call us on 01794 835835.
